Dodaj produkty podając kody
Dodaj plik CSV
Wpisz kody produktów, które chcesz zbiorczo dodać do koszyka (po przecinku, ze spacją lub od nowej linijki).
Powtórzenie wielokrotnie kodu, doda ten towar tyle razy ile razy występuje.
Przedstawione na niniejszej stronie internetowej informacje nie stanowią oferty handlowej w rozumieniu art.66 par.1 Kodeksu Cywilnego.
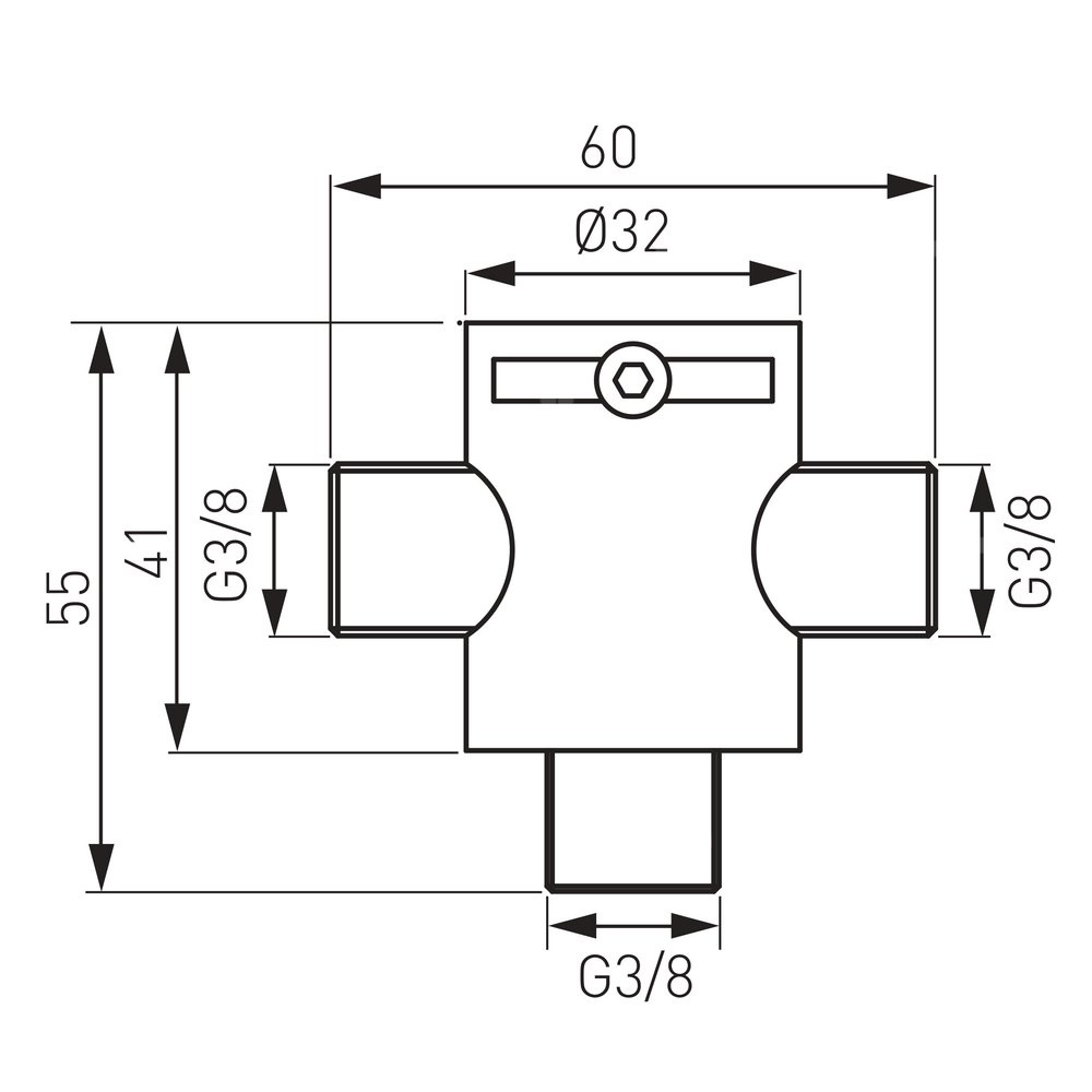
Dane techniczne:
- Dodatkowe zabezpieczenia: blokada nastawy przed przypadkową zmianą
- Dopuszczalna temperatura wody: 90 °C
- Dopuszczalne ciśnienie pracy: 0,5-8 bar
- Dopuszczalne ciśnienie pracy: 7-116 PSI
- Głębokość: 32 mm
- Przyłącze do instalacji wodnej: 3 x 3/8” GZ
- Regulacja stopnia zmieszania: ręczna
- Szerokość: MarkaSymbolK5MM10SeriaRodzaj towaruArmatura sanitarnaEAN5901095693281Kod producentaMM10Długość towaru w centymetrachWięcejDługość towaru w centymetrach7Wysokość towaru w centymetrachWięcejWysokość towaru w centymetrach5Szerokość towaru w centymetrachWięcejSzerokość towaru w centymetrach7Strona www producentawww.ferro.plZapytaj o produktNapisz swoją opinię











