Dodaj produkty podając kody
Dodaj plik CSV
Wpisz kody produktów, które chcesz zbiorczo dodać do koszyka (po przecinku, ze spacją lub od nowej linijki).
Powtórzenie wielokrotnie kodu, doda ten towar tyle razy ile razy występuje.
Przedstawione na niniejszej stronie internetowej informacje nie stanowią oferty handlowej w rozumieniu art.66 par.1 Kodeksu Cywilnego.
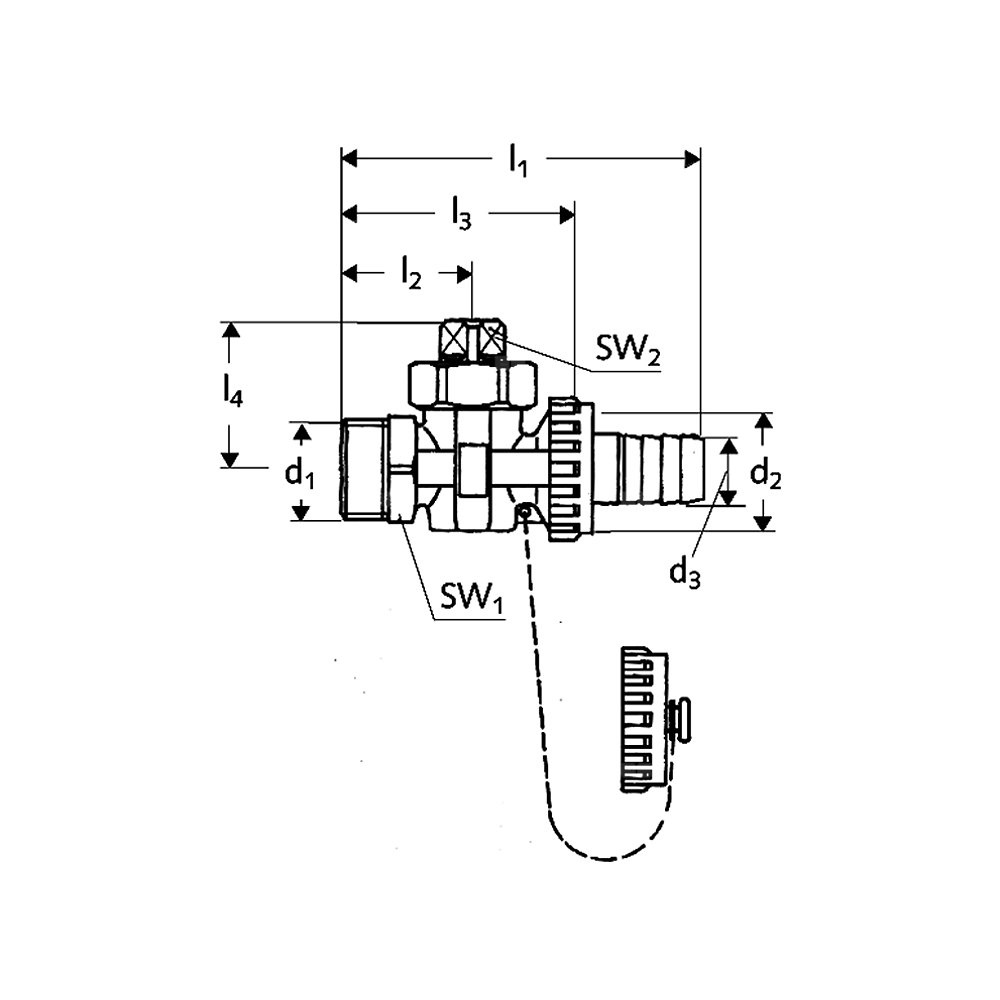
Zakres dostawy:
złączka gwintowana do węża
kołpak i łańcuszek
Obszar zastosowań / Dane techniczne:
PN = 12,5 bar
Szczegóły:
Materiał: mosiądz DIN EN
Powierzchnia: mosiądz
Marka
Symbol
41139080099
Rodzaj towaru
Zawory do wody
EAN
4021163112801
Kod producenta
139080099
Długość towaru w centymetrachWięcej
Długość towaru w centymetrach
10.5
Wysokość towaru w centymetrachWięcej
Wysokość towaru w centymetrach
3
Szerokość towaru w centymetrachWięcej
Szerokość towaru w centymetrach
7.5
Strona www producenta
www.schell-armaturen.de
Zapytaj o produkt
Napisz swoją opinię











