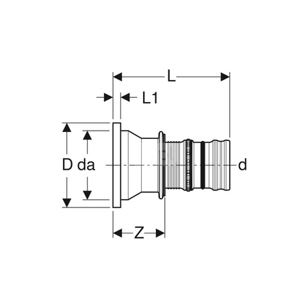
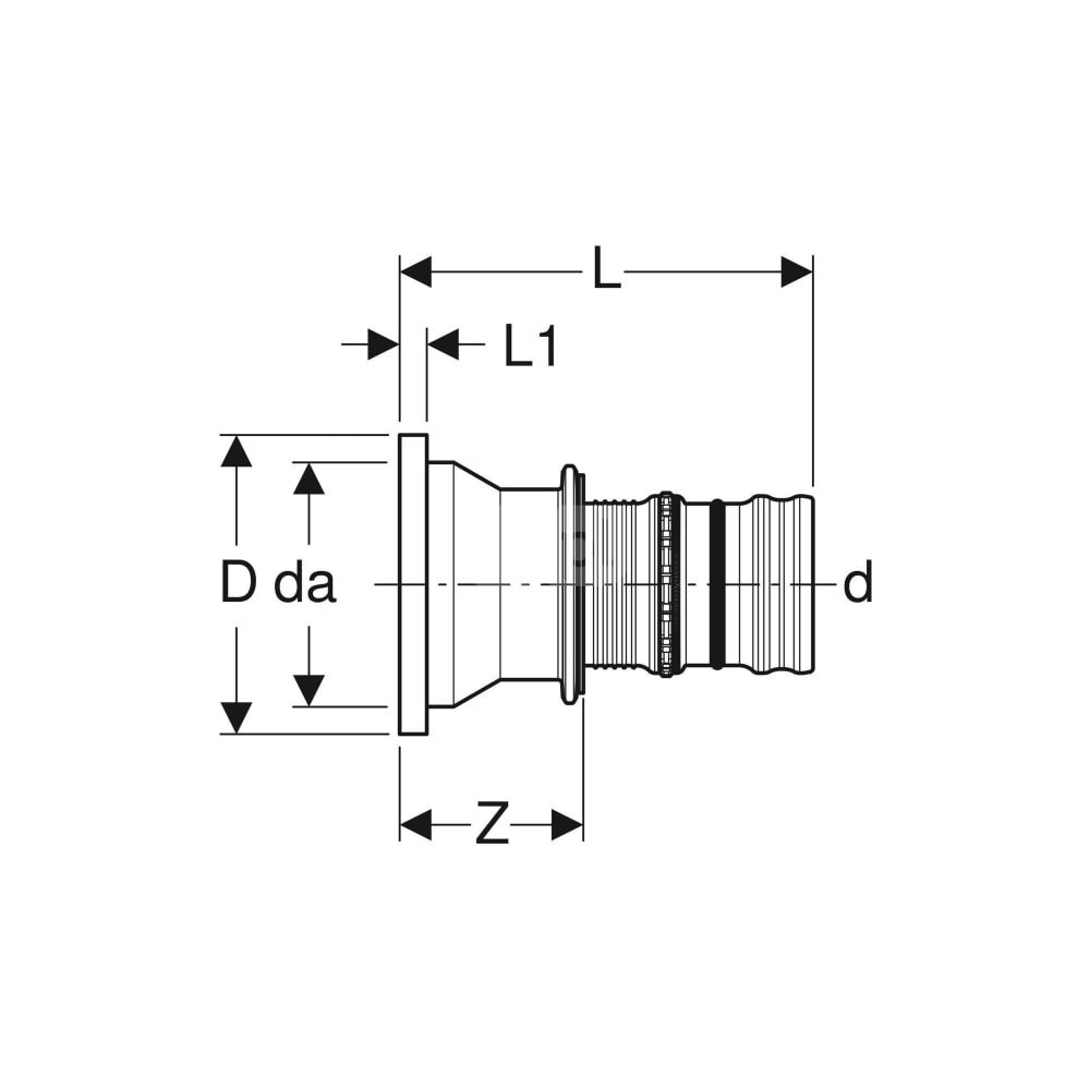
Dane techniczne
-
MateriałMosiądz CW617N
Zastosowanie
- Do zimnej i ciepłej wody
- Do wody chłodzącej i grzewczej bez środka zapobiegającego zamarzaniu
- Do wody chłodzącej i grzewczej ze środkiem zapobiegającym zamarzaniu
- Do wody gaśniczej (mokro)
- Do wody gaśniczej (mokro/sucho, sucho)
- Do chemikaliów i płynów technicznych
- Do sprężonego powietrza (klasa czystości oleju 0–3)
- Do podciśnienia
- Do gazów obojętnych (np. azot)
- Do instalacji domowych, w przemyśle i budownictwie okrętowym
Właściwości
- Przezroczysty pierścień kształtki zaciskowej
- Uszczelka z EPDM














