Dodaj produkty podając kody
Dodaj plik CSV
Wpisz kody produktów, które chcesz zbiorczo dodać do koszyka (po przecinku, ze spacją lub od nowej linijki).
Powtórzenie wielokrotnie kodu, doda ten towar tyle razy ile razy występuje.
Przedstawione na niniejszej stronie internetowej informacje nie stanowią oferty handlowej w rozumieniu art.66 par.1 Kodeksu Cywilnego.
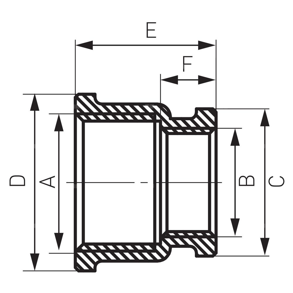
Unikalne cechy produktu:
Mufa redukcyjna wykonana z mosiądzu wysokogatunkowego CW617N. Maksymalna temperatura pracy 95°C. Maksymalne ciśnienie pracy 10 bar
Dane techniczne:
- Kod kreskowy: opakowanie z kodem kreskowym umożliwiającym sprzedaż detaliczną
- Materiał korpusu/materiał wykonania: mosiądz
- Przyłącze: G1
- Rodzaj przyłączenia: nakrętno-nakrętny
- Wymiar A: G1MarkaSymbolK5M11ZSeriaRodzaj towaruŁączniki gwintowane z brązu i mosiądzuEAN5902194915526Kod producentaM11ZMateriał połączenia 1MosiądzModel redukcyjny1Znamionowa średnica wewnętrzna połączenia 11''Połączenie 1Gwint wewnętrznyZnamionowa średnica wewnętrzna połączenia 21/2''Połączenie 2Gwint wewnętrznyGłówny kolor złączaŻółtyRodzaj złączaMufaDługość towaru w centymetrachWięcejDługość towaru w centymetrach4Wysokość towaru w centymetrachWięcejWysokość towaru w centymetrach2.5Szerokość towaru w centymetrachWięcejSzerokość towaru w centymetrach4Strona www producentawww.ferro.plZapytaj o produktNapisz swoją opinię











