Dodaj produkty podając kody
Dodaj plik CSV
Wpisz kody produktów, które chcesz zbiorczo dodać do koszyka (po przecinku, ze spacją lub od nowej linijki).
Powtórzenie wielokrotnie kodu, doda ten towar tyle razy ile razy występuje.
Przedstawione na niniejszej stronie internetowej informacje nie stanowią oferty handlowej w rozumieniu art.66 par.1 Kodeksu Cywilnego.
| charakterystyka |
opakowanie - ilość szt.
|
masa jedn.
|
nr kat.
|
|||||||
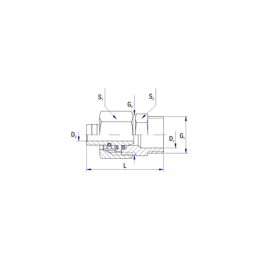
|
G1
|
G1
|
L
|
D1
|
D2
|
S1
|
S2
|
woreczek
|
karton
|
kg
|
|
|
1/2"
|
5/8"
|
44,4
|
15
|
7
|
25
|
22
|
10
|
300
|
0,091
|
1399
|
Marka
Symbol
C21399
Rodzaj towaru
Łączniki gwintowane z brązu i mosiądzu
EAN
5900000027593
Kod producenta
1399
Znamionowa średnica wewnętrzna połączenia 1
1/2''
Połączenie 1
GZ
Znamionowa średnica wewnętrzna połączenia 2
16 mm x 2
Połączenie 2
ZW
Rodzaj złącza
Nypel zaciskowy/złączka skręcana
Strona www producenta
www.rumet.pl
Zapytaj o produkt
Napisz swoją opinię



















![PP-PP kolano koncentryczne 45 st. DN110/160mm z uszczelką [EPDM]](hpeciai/2a89e9eb79b7563b5497d8943e521ec1/pol_is_PP-PP-kolano-koncentryczne-45-st-DN110-160mm-z-uszczelka-EPDM-97460.jpg)










