Dodaj produkty podając kody
Dodaj plik CSV
Wpisz kody produktów, które chcesz zbiorczo dodać do koszyka (po przecinku, ze spacją lub od nowej linijki).
Powtórzenie wielokrotnie kodu, doda ten towar tyle razy ile razy występuje.
Przedstawione na niniejszej stronie internetowej informacje nie stanowią oferty handlowej w rozumieniu art.66 par.1 Kodeksu Cywilnego.
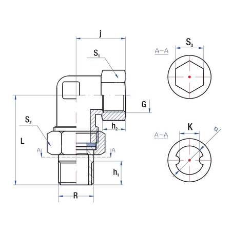
Marka
Symbol
C2F0144
Rodzaj towaru
Łączniki gwintowane z brązu i mosiądzu
EAN
5900000065465
Kod producenta
F0144
Kąt łuku [°]
90
Materiał połączenia 1
Mosiądz
Model/kształt/forma
Kolanko
Model
Trzyczęściowy
Znamionowa średnica wewnętrzna połączenia 1
1/2''
Połączenie 1
GW
Znamionowa średnica wewnętrzna połączenia 2
1/2''
Połączenie 2
GZ
Z uszczelką
1
Rodzaj złącza
Śrubunek kątowy
Strona www producenta
www.rumet.pl
Zapytaj o produkt
Napisz swoją opinię









![Otulina K-FLEX COLOR - Czerwona - 1M - 13 × 140 - [6]](hpeciai/80de274e3afc1f14061f9032e0bb875c/pol_is_Otulina-K-FLEX-COLOR-Czerwona-1M-13-x-140-6-131350.jpg)
![Mata samoprzylepna K-FLEX COLOR - Szara - 32 × 1000 - [6]](hpeciai/e64e1cb2bac4c72db31479aad6ae33a5/pol_is_Mata-samoprzylepna-K-FLEX-COLOR-Szara-32-x-1000-6-131441.jpg)






