Dodaj produkty podając kody
Dodaj plik CSV
Wpisz kody produktów, które chcesz zbiorczo dodać do koszyka (po przecinku, ze spacją lub od nowej linijki).
Powtórzenie wielokrotnie kodu, doda ten towar tyle razy ile razy występuje.
Przedstawione na niniejszej stronie internetowej informacje nie stanowią oferty handlowej w rozumieniu art.66 par.1 Kodeksu Cywilnego.
|
charakterystyka
|
opakowanie - ilość szt.
|
masa jedn.
|
nr kat.
|
||||||||
|
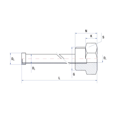
G
|
L
|
D1
|
D2
|
D3
|
K
|
N
|
S
|
woreczek
|
karton
|
kg
|
|
|
3/4"
|
50
|
8
|
10
|
12
|
7
|
19
|
27
|
10
|
90
|
0,090
|
9090300
|
|
3/4"
|
70
|
8
|
10
|
12
|
7
|
19
|
27
|
10
|
90
|
0,090
|
9090301
|
|
3/4"
|
100
|
8
|
10
|
12
|
7
|
19
|
27
|
10
|
70
|
0,100
|
9090302
|
|
3/4"
|
150
|
8
|
10
|
12
|
7
|
19
|
27
|
10
|
60
|
0,110
|
9090303
|
|
3/4"
|
200
|
8
|
10
|
12
|
7
|
19
|
27
|
10
|
60
|
0,120
|
9090304
|
|
3/4"
|
250
|
8
|
10
|
12
|
7
|
19
|
27
|
-
|
1
|
0,140
|
9090305
|
|
3/4"
|
300
|
8
|
10
|
12
|
7
|
19
|
27
|
-
|
1
|
0,150
|
9090306
|
Marka
Symbol
C29090306
Rodzaj towaru
Łączniki gwintowane z brązu i mosiądzu
EAN
5900000061573
Kod producenta
9090306
Średnica wewnętrzna [mm]
8
Długość wkładki [mm]
300
Model
lutowana
Nominalna średnica wewnętrzna połączenia
3/4''
Strona www producenta
www.rumet.pl
Zapytaj o produkt
Napisz swoją opinię













