Dodaj produkty podając kody
Dodaj plik CSV
Wpisz kody produktów, które chcesz zbiorczo dodać do koszyka (po przecinku, ze spacją lub od nowej linijki).
Powtórzenie wielokrotnie kodu, doda ten towar tyle razy ile razy występuje.
Przedstawione na niniejszej stronie internetowej informacje nie stanowią oferty handlowej w rozumieniu art.66 par.1 Kodeksu Cywilnego.
|
charakterystyka
|
opakowanie - ilość szt.
|
masa jedn.
|
nr kat.
|
|||||||||
|
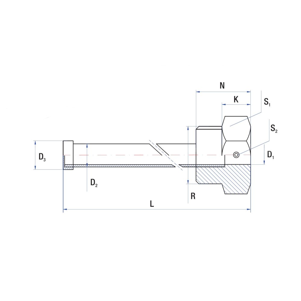
R
|
L
|
D1
|
D2
|
D3
|
K
|
N
|
S1
|
S2
|
woreczek
|
karton
|
kg
|
|
|
1/2"
|
50
|
6
|
8
|
10
|
7
|
19
|
22
|
2
|
10
|
90
|
0,060
|
9090601
|
|
1/2"
|
70
|
6
|
8
|
10
|
7
|
19
|
22
|
2
|
10
|
80
|
0,070
|
9090403
|
|
1/2"
|
100
|
6
|
8
|
10
|
7
|
19
|
22
|
2
|
10
|
70
|
0,070
|
9090603
|
|
1/2"
|
150
|
6
|
8
|
10
|
7
|
19
|
22
|
2
|
10
|
90
|
0,070
|
9090605
|
|
1/2"
|
200
|
6
|
8
|
10
|
7
|
19
|
22
|
2
|
10
|
60
|
0,080
|
9090404
|
|
1/2"
|
250
|
6
|
8
|
10
|
7
|
19
|
22
|
2
|
-
|
1
|
0,080
|
9090405
|
|
1/2"
|
300
|
6
|
8
|
10
|
7
|
19
|
22
|
2
|
-
|
1
|
0,090
|
9090806
|
|
1/2"
|
50
|
8
|
10
|
12
|
7
|
19
|
22
|
2
|
10
|
90
|
0,070
|
9090500
|
|
1/2"
|
70
|
8
|
10
|
12
|
7
|
19
|
22
|
2
|
10
|
80
|
0,070
|
9090501
|
|
1/2"
|
100
|
8
|
10
|
12
|
7
|
19
|
22
|
2
|
10
|
70
|
0,080
|
9090802
|
|
1/2"
|
150
|
8
|
10
|
12
|
7
|
19
|
22
|
2
|
10
|
90
|
0,080
|
9090503
|
|
1/2"
|
200
|
8
|
10
|
12
|
7
|
19
|
22
|
2
|
10
|
60
|
0,090
|
9090504
|
|
1/2"
|
250
|
8
|
10
|
12
|
7
|
19
|
22
|
2
|
-
|
1
|
0,090
|
9090505
|
|
1/2"
|
300
|
8
|
10
|
12
|
7
|
19
|
22
|
2
|
-
|
1
|
0,100
|
9090506
|
|
3/4"
|
50
|
8
|
10
|
12
|
7
|
19
|
22
|
2
|
10
|
80
|
0,090
|
9090700
|
|
3/4"
|
70
|
8
|
10
|
12
|
7
|
19
|
22
|
2
|
10
|
70
|
0,090
|
9090701
|
|
3/4"
|
100
|
8
|
10
|
12
|
7
|
19
|
22
|
2
|
10
|
60
|
0,100
|
9090702
|
|
3/4"
|
150
|
8
|
10
|
12
|
7
|
19
|
22
|
2
|
10
|
50
|
0,110
|
9090703
|
|
3/4"
|
200
|
8
|
10
|
12
|
7
|
19
|
22
|
2
|
10
|
40
|
0,120
|
9090704
|
|
3/4"
|
250
|
8
|
10
|
12
|
7
|
19
|
22
|
2
|
-
|
1
|
0,140
|
9090705
|
|
3/4"
|
300
|
8
|
10
|
12
|
7
|
19
|
22
|
2
|
-
|
1
|
0,150
|
9090706
|






























