Dodaj produkty podając kody
Dodaj plik CSV
Wpisz kody produktów, które chcesz zbiorczo dodać do koszyka (po przecinku, ze spacją lub od nowej linijki).
Powtórzenie wielokrotnie kodu, doda ten towar tyle razy ile razy występuje.
Przedstawione na niniejszej stronie internetowej informacje nie stanowią oferty handlowej w rozumieniu art.66 par.1 Kodeksu Cywilnego.
Dopuszczalny zakres zastosowania
*do pomp Wilo: Rexa CUT GI03.26/GI03.29/GE03.20/GE03.25
*Maks. dopuszczalne ciśnienie w przewodzie ciśnieniowym: 6 bar
*Min. temperatura przetłaczanej cieczy: 0 oC
*Maks. temperatura przetłaczanej cieczy: 40 oC
*Min. temperatura otoczenia: 3 oC
*Maks. temperatura otoczenia: 20 oC
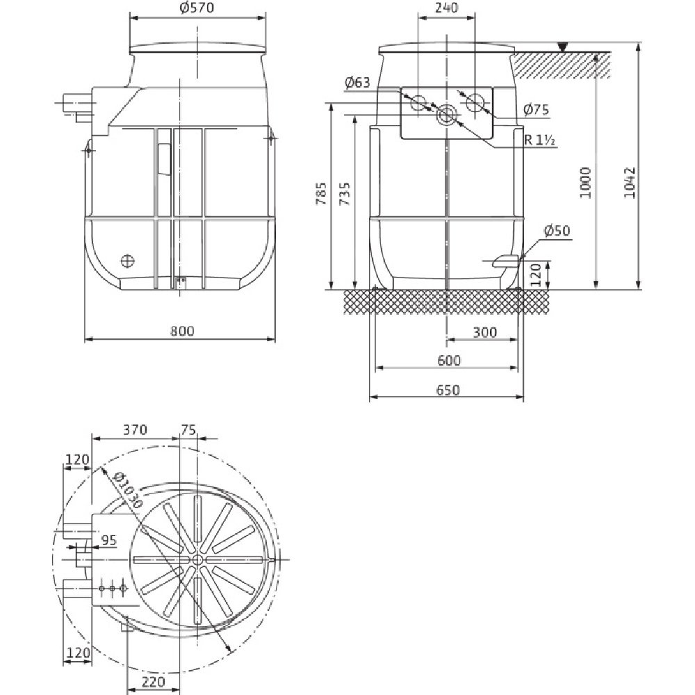
Dane techniczne
*Pojemność zbiornika: 255 l
*Przyłącze wejścia: DN100 / DN150
*Przyłącze wyjścia: Ø50/G2A
*Odpowietrzanie:
*Materiał zbiornika:
*Długość: 1000 mm
*Szerokość: 650 mm
*Wysokość: 1042 mm
*Masa: 43 kg
Informacje na temat umiejscowienia zamówień
*Produkt:
*Nr art.: 2525164
Marka
Symbol
812525164
Rodzaj towaru
Pompy do wody brudnej i ścieków
EAN
4016322846802
Kod producenta
2525164
Szerokość [mm]
650
Wysokość [mm]
1042
Głębokość [mm]
1000
Nominalny przepływ [m³/h]
650
Częstotliwość
50 Hz
Długość towaru w centymetrachWięcej
Długość towaru w centymetrach
80
Wysokość towaru w centymetrachWięcej
Wysokość towaru w centymetrach
120.2
Szerokość towaru w centymetrachWięcej
Szerokość towaru w centymetrach
120
Strona www producenta
www.wilo.pl
Zapytaj o produkt
Napisz swoją opinię


















