Dodaj produkty podając kody
Dodaj plik CSV
Wpisz kody produktów, które chcesz zbiorczo dodać do koszyka (po przecinku, ze spacją lub od nowej linijki).
Powtórzenie wielokrotnie kodu, doda ten towar tyle razy ile razy występuje.
Przedstawione na niniejszej stronie internetowej informacje nie stanowią oferty handlowej w rozumieniu art.66 par.1 Kodeksu Cywilnego.
Dopuszczalny zakres zastosowania
*do pomp Wilo: Rexa CUT GI03.26/GI03.29/GE03.20/GE03.25
*Maks. dopuszczalne ciśnienie w przewodzie ciśnieniowym: 6 bar
*Min. temperatura przetłaczanej cieczy: 0 oC
*Maks. temperatura przetłaczanej cieczy: 40 oC
*Min. temperatura otoczenia: 3 oC
*Maks. temperatura otoczenia: 20 oC
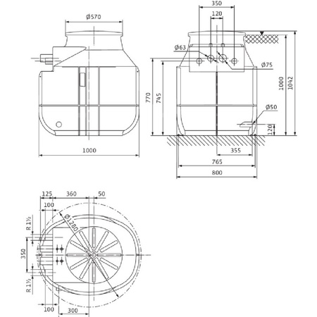
Dane techniczne
*Pojemność zbiornika: 400 l
*Przyłącze wejścia: DN100 / DN150
*Przyłącze wyjścia: 2 x Ø50/G2A
*Odpowietrzanie:
*Materiał zbiornika:
*Długość: 1000 mm
*Szerokość: 1000 mm
*Wysokość: 1042 mm
*Masa: 63 kg
Informacje na temat umiejscowienia zamówień
*Produkt:
*Nr art.: 2525165
Marka
Symbol
812525165
Rodzaj towaru
Pompy do wody brudnej i ścieków
EAN
4016322846819
Kod producenta
2525165
Szerokość [mm]
1000
Wysokość [mm]
1042
Głębokość [mm]
1000
Nominalny przepływ [m³/h]
800
Częstotliwość
50 Hz
Długość towaru w centymetrachWięcej
Długość towaru w centymetrach
80
Wysokość towaru w centymetrachWięcej
Wysokość towaru w centymetrach
120.2
Szerokość towaru w centymetrachWięcej
Szerokość towaru w centymetrach
120
Strona www producenta
www.wilo.pl
Zapytaj o produkt
Napisz swoją opinię














