Dodaj produkty podając kody
Dodaj plik CSV
Wpisz kody produktów, które chcesz zbiorczo dodać do koszyka (po przecinku, ze spacją lub od nowej linijki).
Powtórzenie wielokrotnie kodu, doda ten towar tyle razy ile razy występuje.
Przedstawione na niniejszej stronie internetowej informacje nie stanowią oferty handlowej w rozumieniu art.66 par.1 Kodeksu Cywilnego.
*Wskaźniki diodowe do wskazywania stanów roboczych i sygnalizacji awarii
*Ustawiane opóźnienie
*Zintegrowany i niezależny od zasilania alarm
*1x styk bezpotencjałowy do podłączenia zbiorczej sygnalizacji awarii (SSM)
Zakres dostawy:
*Gotowe do podłączenia urządzenie do przetłaczania ścieków z urządzeniem sterującym
*1x mankiet uszczelniający do podłączenia ręcznej pompy membranowej
*1x przyłącze dopływu DN 150
*1x mankiet uszczelniający do przyłącza odpowietrzającego DN 70
*1x zestaw do wykonania połączenia między zbiornikiem a pompą
Uwaga: Armatury konieczne do instalacji, jak kształtka rozgałęźna, zawór odcinający i zawór zwrotny, należą do wyposażenia dodatkowego i należy je zamówić oddzielnie!
Dane eksploatacyjne
Dopuszczalny zakres zastosowania
*temperatura przetłaczanej cieczy: 3 oC
*Maks. temperatura mediów, chwilowo do 3 min.: 60 oC
*temperatura otoczenia: 3 oC
*Maks. ciśnienie robocze: 3 bar
*Maks. dopuszczalne ciśnienie w przewodzie ciśnieniowym: 3 bar
Dane produktu
*Pojemność brutto zbiornika: 800 l
*Pojemność załączania: 460 l
*Tryb pracy (wynurzony): S1 S3-25%, 60 s
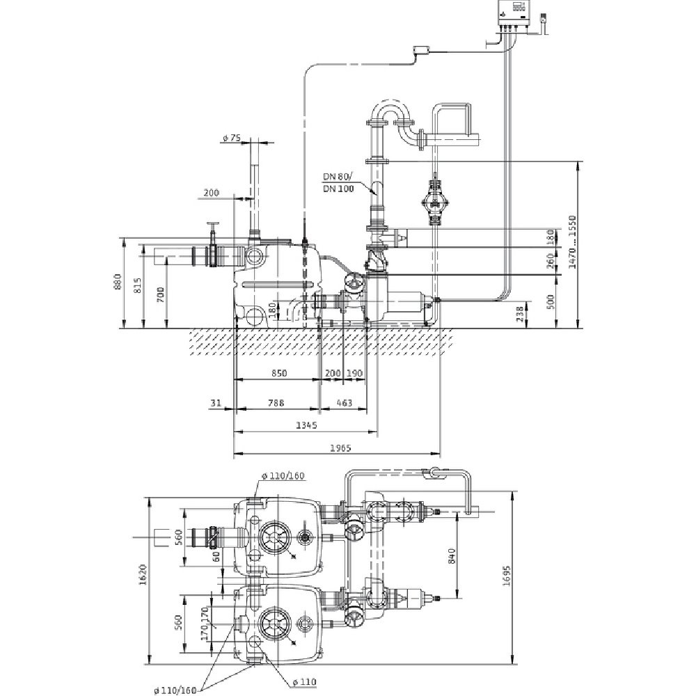
*Wysokość: 880 mm
*Długość: 1965 mm
*Szerokość: 1695 mm
*Wymiar po przekątnej: 2623 mm
Dane silnika
*Przyłącze sieciowe:
*Tolerancja napięcia:
*Znamionowa moc silnika: 2100
*Znamionowa prędkość obrotowa: 1450 Obroty / min
*Prąd znamionowy: 7,1 A
*Klasa izolacji: F
*Stopień ochrony silnika:
*Rodzaj załączania: Bezpośrednio online (DOL)
*Maks. częstotliwość załączania: 60
*Zabezpieczenie silnika:
Przewód
*Wtyczka sieciowa: nie
Materiały
*Materiał zbiornika:
*Korpus pompy:
*Wirnik:
*Materiał silnika: Stal nierdzewna
Wymiary montażowe
*Przyłącze gwintowane po stronie ssawnej: Ø 110
*Przyłącze gwintowane po stronie tłocznej: DN 80
*Przyłącze odpowietrzenia: Ø 75
Informacje na temat umiejscowienia zamówień
*Produkt:
*Nazwa produktu: DrainLift XXL 880-2/2,1
*Masa netto ok.: 195 kg
*Numer artykułu: 2509006
Marka
Symbol
812509006
Rodzaj towaru
Pompy do wody brudnej i ścieków
EAN
4016322408970
Kod producenta
2509006
Szerokość [mm]
1695
Wysokość [mm]
880
Głębokość [mm]
1965
Prąd znamionowy [A]
7.1
Pojemność zbiornika [l]
800
Nominalny przepływ [m³/h]
56.67
Maksymalna wysokość podnoszenia [m]
10.51
Pobór mocy silnika (P1) [W]
2.7
Moc oddawana silnika (P2) [W]
2.1
Materiał zbiornika
Inne
Gatunek materiału zbiornika
PE-40
Materiał korpusu pompy
Poliuretan
Gatunek materiału korpusu pompy
Inne
Przyłącze od strony zasilającej
Inne
Średnica normatywna przyłącza od strony tłocznej
DN 80
Średnica przyłącza od strony tłocznej [mm]
80
Częstotliwość
50 Hz
Stopień ochrony (IP)
IP67
Klasa izolacji wg IEC
F
Liczba faz
3
Zakres napięcia znamionowego [V]
400
Maks. ciśnienie robocze [bar]
3
Prędkość obrotowa [1/min]
1450
Maks. wydajność (maks. przepływ) [m³/h]
85
Przepływ nominalny (BEP) [m³/h]
56.67
Wysokość podnoszenia przy przepływie nominalnym (BEP) [kPa]
56.57
Materiał wirnika
Poliuretan
Gatunek materiału wirnika
Inne
Nominalny tryb pracy
S3/S1
Przyłącze po stronie wylotowej
Kołnierz
Klasa ciśnienia kołnierza przyłącza wylotowego
PN 10
Rodzaj przyłącza wylotowego
EN 1092-2
Kształt końcówki
Inne
Długość towaru w centymetrachWięcej
Długość towaru w centymetrach
80
Wysokość towaru w centymetrachWięcej
Wysokość towaru w centymetrach
104
Szerokość towaru w centymetrachWięcej
Szerokość towaru w centymetrach
120
Strona www producenta
www.wilo.pl
Zapytaj o produkt
Napisz swoją opinię
















