Dodaj produkty podając kody
Dodaj plik CSV
Wpisz kody produktów, które chcesz zbiorczo dodać do koszyka (po przecinku, ze spacją lub od nowej linijki).
Powtórzenie wielokrotnie kodu, doda ten towar tyle razy ile razy występuje.
Pompa głębinowa 1-fazowa WILO Sub TWI 5-SE-904EM częstotliwość 50 Hz, moc 1.5 kW 10.1 A, prędkość obrotowa 2810 obr/min
Przedstawione na niniejszej stronie internetowej informacje nie stanowią oferty handlowej w rozumieniu art.66 par.1 Kodeksu Cywilnego.
Całkowicie zatapialna, wielostopniowa, samoodpowietrzająca pompa głębinowa ze standardowym koszem ssawnym do instalacji w zanurzeniu nad dnem zbiornika/cysterny
Do tłoczenia czystej wody ze zbiorników, cystern lub studni o głębokości zanurzenia do 17 m. Wszystkie części mające kontakt z medium są odporne na korozję
Pompa na prąd zmienny z kablem zasilającym, skrzynką łączeniową (IP55) z termicznym zabezpieczeniem silnika, włącznikiem/wyłącznikiem oraz 2-metrowym kablem zasilającym z wtyczką z uziemieniem Możliwe ustawienie bez zanurzenia w wodzie.
W wersji na prąd trójfazowy z wolnym końcem przewodu
*Wersja TWI 5 ze standardowym koszem ssawnym
*Wersje: Wersja SE z bocznym króćcem dopływowym; wersja FS ze zintegrowanym wyłącznikiem pływakowym
*Zakres dostawy
*Pompa z 20-metrowym kablem zasilającym od pompy do skrzynki łączeniowej oraz z wychodzącym ze skrzynki łączeniowej, 2-metrowym kablem zasilającym z wtyczką sieciową
*Linka zabezpieczająca z polipropylenu
*Instrukcja montażu/obsługi
Dane eksploatacyjne
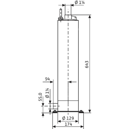
*Wysokość podnoszenia maks.: 87 m
Jednostka
*Przyłącze gwintowane po stronie tłocznej: Rp 1¼
*Maks. ciśnienie robocze: 10 bar
*Stopień ochrony silnika:
*Maks. głębokość zanurzenia: 17 m
*Min. temperatura przetłaczanej cieczy: 5 oC
*Maks. temperatura przetłaczanej cieczy: 40 oC
*Masa netto ok.: 21 kg
Dane silnika
*Przyłącze sieciowe:
*Znamionowa moc silnika: 1500
*Znamionowa prędkość obrotowa: 2810 Obroty / min
*Prąd znamionowy: 10,1 A
*Rodzaj załączania: Bezpośrednio online (DOL)
*Maks. częstotliwość załączania: 40
*Średnica silnika: 126,9999991618 mm
Przewód
*Długość kabla zasilającego: 20 m
*Przekrój przewodu: 4G1 mm²
Materiały
*Korpus pompy: Stal nierdzewna
*Materiał silnika: Stal nierdzewna
*Wał: Stal nierdzewna
*Wirnik: Stal nierdzewna
Informacje na temat umiejscowienia zamówień
*Masa netto ok.: 21 kg
*Produkt:
*Nazwa produktu: Sub-TWI 5-SE 904 (1~230 V, 50 Hz)
*Numer artykułu: 4104131
Marka
Symbol
814104131
Rodzaj towaru
Pompy do wody użytkowej
EAN
4016322893622
Kod producenta
4104131
Prąd znamionowy [A]
10.1
Moc oddawana silnika (P2) [kW]
1.5
Prędkość obrotowa [obr/min]
2810
Materiał wirnika
Stal nierdzewna
Częstotliwość
50 Hz
Stopień ochrony (IP)
IP68
Klasa izolacji wg IEC
F
Podłączenie elektryczne
Przewód połączeniowy z wtyczką
Liczba faz
1
Zakres napięcia znamionowego [V]
230
Maks. ciśnienie robocze [bar]
10
Maksymalna liczba cykli pracy [c/h]
40
Średnica zewnętrzna przyłącza od strony wylotowej [mm]
32
Maks. wydajność (maks. przepływ) [m³/h]
16.07
Maks. wysokość podnoszenia [m]
46.73
Przepływ nominalny (BEP) [m³/h]
9.52
Wysokość podnoszenia przy przepływie nominalnym (BEP) [kPa]
328.72
Materiał korpusu pompy
Stal nierdzewna
Gatunek materiału korpusu pompy
Stal nierdzewna 304
Gatunek materiału wirnika
Stal nierdzewna 304
Przyłącze po stronie wylotowej
Gwint wewnętrzny gazowy stożkowy
Średnica nominalna przyłącza od strony wylotowej
1 1/4 cala
Klasa ciśnienia kołnierza przyłącza wylotowego
PN 10
Rodzaj przyłącza wylotowego
ISO 7-1 / EN 10226-1
Kształt końcówki
Inne
Głębokość zanurzenia [m]
17
Maks. zawartość piasku [g/m³]
50
Długość towaru w centymetrachWięcej
Długość towaru w centymetrach
23
Wysokość towaru w centymetrachWięcej
Wysokość towaru w centymetrach
19.5
Szerokość towaru w centymetrachWięcej
Szerokość towaru w centymetrach
79
Strona www producenta
www.wilo.pl
Zapytaj o produkt
Napisz swoją opinię

















