Dodaj produkty podając kody
Dodaj plik CSV
Wpisz kody produktów, które chcesz zbiorczo dodać do koszyka (po przecinku, ze spacją lub od nowej linijki).
Powtórzenie wielokrotnie kodu, doda ten towar tyle razy ile razy występuje.
Pompa obiegowa Wilo-BAC 70-135-3_100/2-DM/R-2-N7-IE3, dławnicowa o konstrukcji blokowej z przyłączem Victaulic. Zmniejszenie kosztów cyklu życia pompy dzięki optymalizacji sprawności. Korpus pompy wykonany z tworzywa sztucznego.
Przedstawione na niniejszej stronie internetowej informacje nie stanowią oferty handlowej w rozumieniu art.66 par.1 Kodeksu Cywilnego.
Dane eksploatacyjne
*temperatura przetłaczanej cieczy: -15 oC
*temperatura otoczenia: -15 oC
*Maks. ciśnienie robocze: 6,5 bar
*Wskaźnik minimalnej energochłonności (MEI): 0,4
Dane silnika
*Klasa sprawności energetycznej silnika:
*Przyłącze sieciowe:
*Tolerancja napięcia:
*Moc znamionowa : 3000
*Znamionowa prędkość obrotowa: 2915 Obroty / min
*Prąd znamionowy: 6,15 A
*Współczynnik mocy: 0,79
*Sprawność silnika ηm 50 %: 82,5
*Sprawność silnika ηm 75 %: 84,6
*Sprawność silnika ηm 100 %: 87,1
*Klasa izolacji: F
*Stopień ochrony:
Materiały
*Korpus pompy:
*Wirnik:
*Wał: Stal nierdzewna
*Uszczelnienie wału: BVEGG
*Latarnia: Aluminium
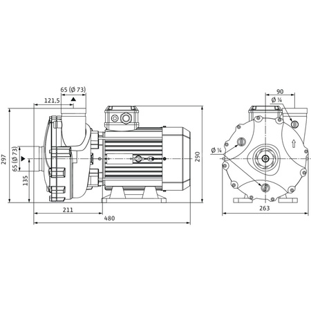
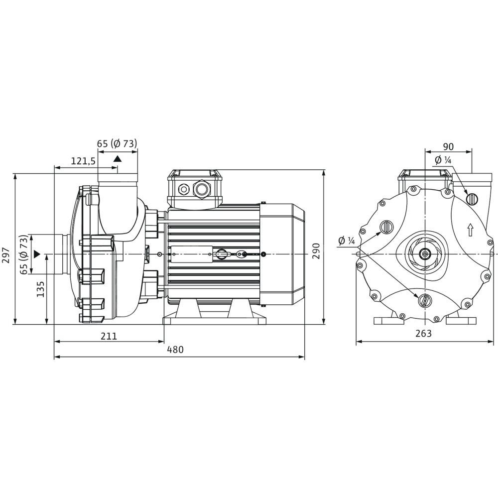
Wymiary montażowe
*Przyłącze gwintowane po stronie ssawnej: Ø 76,1
*Przyłącze gwintowane po stronie tłocznej: Ø 76,1
Informacje na temat umiejscowienia zamówień
*Produkt:
*Nazwa produktu: BAC 70-135/3/2-DM/R-2-EC
*Masa netto ok.: 31,5 kg
*Numer artykułu: 4213201
Marka
Symbol
814213201
Rodzaj towaru
Pompy do wody użytkowej
EAN
4048482707761
Kod producenta
4213201
Prąd znamionowy [A]
6.15
Moc oddawana silnika (P2) [kW]
3
Prędkość obrotowa [obr/min]
2915
Wysokość części zasysającej [mm]
297
Wysokość części tłoczącej [mm]
290
Długość pompy [mm]
480
Rodzaj napędu
Elektryczny
Częstotliwość
50 Hz
Stopień ochrony (IP)
IP55
Klasa izolacji wg IEC
F
Liczba faz
3
Zakres napięcia znamionowego [V]
400
Maks. ciśnienie robocze [bar]
6.5
Średnica zewnętrzna przyłącza od strony wylotowej [mm]
65
Maks. wydajność (maks. przepływ) [m³/h]
65
Maks. wysokość podnoszenia [m]
23.17
Przepływ nominalny (BEP) [m³/h]
43.57
Wysokość podnoszenia przy przepływie nominalnym (BEP) [kPa]
188.09
Wskaźnik minimalnej sprawności (MEI)
0.4
Silnik standardowy
1
Materiał korpusu pompy
Tworzywo sztuczne wzmocnione włóknem
Gatunek materiału korpusu pompy
PP-GF
Materiał wirnika
Polipropylen
Gatunek materiału wirnika
PP-GF
Przyłącze od strony wlotowej
Inne
Średnica nominalna przyłącza od strony wlotowej
Inne
Klasa ciśnienia kołnierza przyłącza wlotowego
PN 10
Przyłącze po stronie wylotowej
Inne
Średnica nominalna przyłącza od strony wylotowej
Inne
Klasa ciśnienia kołnierza przyłącza wylotowego
PN 10
Kształt końcówki
Okrągły
Klasa efektywności energetycznej silnika
IE3
Długość towaru w centymetrachWięcej
Długość towaru w centymetrach
38.5
Wysokość towaru w centymetrachWięcej
Wysokość towaru w centymetrach
35
Szerokość towaru w centymetrachWięcej
Szerokość towaru w centymetrach
78.5
Strona www producenta
www.wilo.pl
Zapytaj o produkt
Napisz swoją opinię

















