Dodaj produkty podając kody
Dodaj plik CSV
Wpisz kody produktów, które chcesz zbiorczo dodać do koszyka (po przecinku, ze spacją lub od nowej linijki).
Powtórzenie wielokrotnie kodu, doda ten towar tyle razy ile razy występuje.
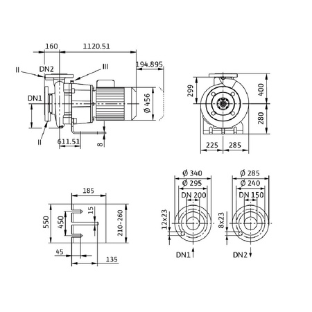
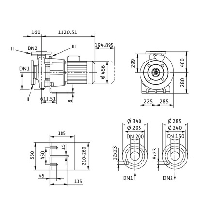
Pompa obiegowa Wilo-CronoBloc BL 150/295-37/4-IE3 dławnicowa o konstrukcji blokowej z przyłączem kołnierzowym. Wszechstronne zastosowanie. Powłoka kataforetyczna wszystkich elementów żeliwnych zapewnia wysoką odporność na korozję i trwałość.
Przedstawione na niniejszej stronie internetowej informacje nie stanowią oferty handlowej w rozumieniu art.66 par.1 Kodeksu Cywilnego.
Marka
Symbol
812160691
Rodzaj towaru
Pompy do wody użytkowej
EAN
4048482630243
Kod producenta
2160691
Prąd znamionowy [A]
71.3
Moc oddawana silnika (P2) [kW]
37
Prędkość obrotowa [obr/min]
1450
Wysokość części zasysającej [mm]
280
Odległość między osiami przyłącza ssawnego/tłocznego [mm]
160
Długość pompy [mm]
1281
Rodzaj napędu
Elektryczny
Częstotliwość
50 Hz
Stopień ochrony (IP)
IP55
Klasa izolacji wg IEC
F
Liczba faz
3
Zakres napięcia znamionowego [V]
400
Maks. ciśnienie robocze [bar]
16
Średnica zewnętrzna przyłącza od strony wylotowej [mm]
150
Wskaźnik minimalnej sprawności (MEI)
0.4
Silnik standardowy
1
Materiał korpusu pompy
Żeliwo
Gatunek materiału korpusu pompy
Żeliwo GG 25
Materiał wirnika
Żeliwo
Gatunek materiału wirnika
Żeliwo GG 20
Przyłącze od strony wlotowej
Kołnierz
Średnica nominalna przyłącza od strony wlotowej
DN 200
Klasa ciśnienia kołnierza przyłącza wlotowego
PN 16
Rodzaj przyłącza wlotowego
EN 1092-2
Przyłącze po stronie wylotowej
Kołnierz
Średnica nominalna przyłącza od strony wylotowej
DN 150
Klasa ciśnienia kołnierza przyłącza wylotowego
PN 16
Rodzaj przyłącza wylotowego
EN 1092-2
Kształt końcówki
Okrągły
Klasa efektywności energetycznej silnika
IE3
Długość towaru w centymetrachWięcej
Długość towaru w centymetrach
80
Wysokość towaru w centymetrachWięcej
Wysokość towaru w centymetrach
88
Szerokość towaru w centymetrachWięcej
Szerokość towaru w centymetrach
180
Strona www producenta
www.wilo.pl
Zapytaj o produkt
Napisz swoją opinię















![Otulina K-FLEX COLOR - Niebieska - 1M - 32 × 114 - [3]](hpeciai/5ac71473fa9e19baae22330613c0c47c/pol_is_Otulina-K-FLEX-COLOR-Niebieska-1M-32-x-114-3-131191.jpg)



















