Dodaj produkty podając kody
Dodaj plik CSV
Wpisz kody produktów, które chcesz zbiorczo dodać do koszyka (po przecinku, ze spacją lub od nowej linijki).
Powtórzenie wielokrotnie kodu, doda ten towar tyle razy ile razy występuje.
Pompa obiegowa Wilo-CronoBloc BL 32/150.1-3/2 dławnicowa o konstrukcji blokowej z przyłączem kołnierzowym. Wszechstronne zastosowanie. Powłoka kataforetyczna wszystkich elementów żeliwnych zapewnia wysoką odporność na korozję i trwałość.
Przedstawione na niniejszej stronie internetowej informacje nie stanowią oferty handlowej w rozumieniu art.66 par.1 Kodeksu Cywilnego.
Jednostopniowa dławnicowa pompa wirowa o konstrukcji blokowej do ustawienia na fundamencie.
Odporna na drgania, zapewniająca cichą pracę konstrukcja blokowa z latarnią i sztywno połączonym silnikiem standardowym (silnik znormalizowany).
Z wymuszonym opływem, niezależnym od kierunku obrotów mieszkowym uszczelnieniem mechanicznym (od 37 kW/4-bieg. opcjonalnie z kasetowym uszczelnieniem mechanicznym w systemie cofki do wymiany uszczelnienia mechanicznego bez demontażu silnika) oraz wirnikiem redukującym kawitację.
Kołnierze z przyłączami pomiarowymi ciśnienia R 1/8. Korpus pompy i latarnia z powłoką kataforetyczną.
W wersji standardowej silniki w klasie IE3. Pompy z silnikami ≥ 5,5 kW są seryjnie wyposażone w czujniki termistorowe jako zabezpieczenie silnika.
Dane eksploatacyjne
*temperatura przetłaczanej cieczy: -20 oC
*temperatura otoczenia: -15 oC
*Maks. ciśnienie robocze: 16 bar
*: 16 bar do 120oC, 13 bar do 140oC
*Wskaźnik minimalnej energochłonności (MEI): 0,4
Dane silnika
*Klasa sprawności energetycznej silnika:
*Przyłącze sieciowe:
*Tolerancja napięcia:
*Moc znamionowa : 3000
*Znamionowa prędkość obrotowa: 2900 Obroty / min
*Prąd znamionowy: 6,15 A
*Współczynnik mocy: 0,79
*Sprawność silnika ηm 50 %: 82,5
*Sprawność silnika ηm 75 %: 84,6
*Sprawność silnika ηm 100 %: 87,1
*Klasa izolacji: F
*Stopień ochrony:
Materiały
*Korpus pompy: 5.1301, KTL-beschichtet
*Wirnik:
*Wał: Stal nierdzewna
*Uszczelnienie wału: AQ1EGG
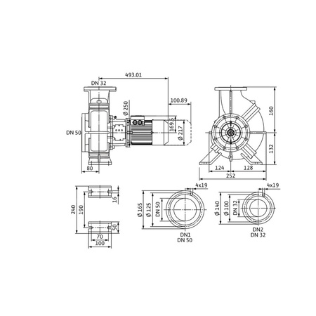
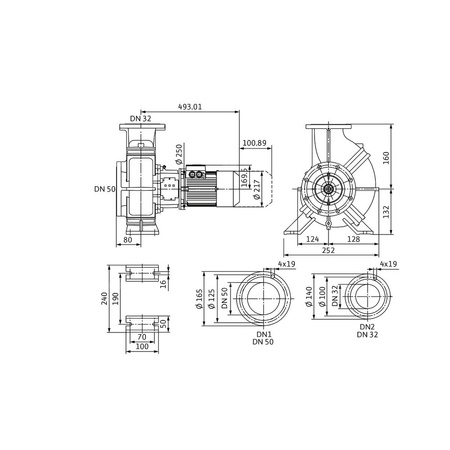
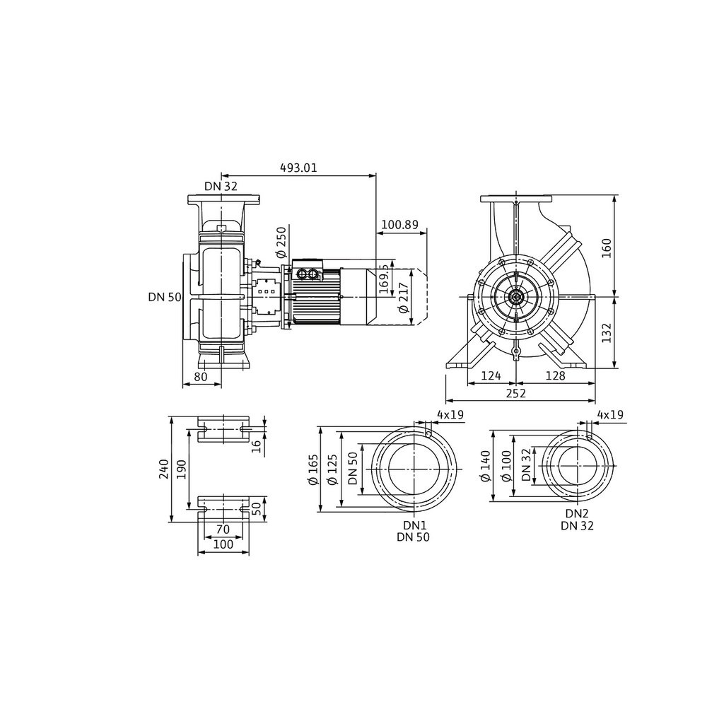
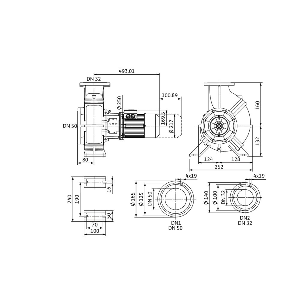
Wymiary montażowe
*Przyłącze gwintowane po stronie ssawnej: DN 50
*Przyłącze gwintowane po stronie tłocznej: DN 32
Informacje na temat umiejscowienia zamówień
*Produkt:
*Nazwa produktu: CronoBloc-BL 32/150.1-3/2
*Masa netto ok.: 66 kg
*Numer artykułu: 9139958
Marka
Symbol
819139958
Rodzaj towaru
Pompy do wody użytkowej
EAN
4062679002439
Kod producenta
9139958
Prąd znamionowy [A]
6.15
Moc oddawana silnika (P2) [kW]
3
Prędkość obrotowa [obr/min]
2900
Wysokość części zasysającej [mm]
132
Odległość między osiami przyłącza ssawnego/tłocznego [mm]
80
Długość pompy [mm]
573
Rodzaj napędu
Elektryczny
Częstotliwość
50 Hz
Stopień ochrony (IP)
IP55
Klasa izolacji wg IEC
F
Liczba faz
3
Zakres napięcia znamionowego [V]
400
Maks. ciśnienie robocze [bar]
16
Średnica zewnętrzna przyłącza od strony wylotowej [mm]
32
Wskaźnik minimalnej sprawności (MEI)
0.4
Materiał korpusu pompy
Żeliwo
Gatunek materiału korpusu pompy
Żeliwo GG 25
Materiał wirnika
Żeliwo
Gatunek materiału wirnika
Żeliwo GG 20
Przyłącze od strony wlotowej
Kołnierz
Średnica nominalna przyłącza od strony wlotowej
DN 50
Klasa ciśnienia kołnierza przyłącza wlotowego
PN 16
Rodzaj przyłącza wlotowego
EN 1092-2
Przyłącze po stronie wylotowej
Kołnierz
Średnica nominalna przyłącza od strony wylotowej
DN 32
Klasa ciśnienia kołnierza przyłącza wylotowego
PN 16
Rodzaj przyłącza wylotowego
EN 1092-2
Kształt końcówki
Okrągły
Klasa efektywności energetycznej silnika
IE3
Strona www producenta
www.wilo.pl
Zapytaj o produkt
Napisz swoją opinię



















