Dodaj produkty podając kody
Dodaj plik CSV
Wpisz kody produktów, które chcesz zbiorczo dodać do koszyka (po przecinku, ze spacją lub od nowej linijki).
Powtórzenie wielokrotnie kodu, doda ten towar tyle razy ile razy występuje.
Przedstawione na niniejszej stronie internetowej informacje nie stanowią oferty handlowej w rozumieniu art.66 par.1 Kodeksu Cywilnego.
Dopuszczalny zakres zastosowania
*do pomp Wilo: Drain MTC 32, Rexa GUT GI
*Maks. dopuszczalne ciśnienie w przewodzie ciśnieniowym: 6 bar
*Min. temperatura przetłaczanej cieczy: 0 oC
*Maks. temperatura przetłaczanej cieczy: 35 oC
*Min. temperatura otoczenia: 3 oC
*Maks. temperatura otoczenia: 20 oC
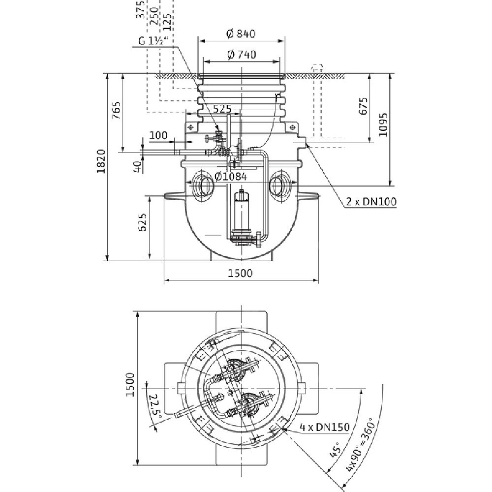
Dane techniczne
*Pojemność zbiornika: 1220 l
*Przyłącze wejścia: Ø 160
*Przyłącze wyjścia: G 2
*Odpowietrzanie:
*Materiał zbiornika:
*Długość: 1500 mm
*Szerokość: 1500 mm
*Wysokość: 1820 mm
*Masa: 110 kg
Informacje na temat umiejscowienia zamówień
*Produkt:
*Nr art.: 2531442
Marka
Symbol
812531442
Rodzaj towaru
Pompy do wody brudnej i ścieków
EAN
4048482076928
Kod producenta
2531442
Długość towaru w centymetrachWięcej
Długość towaru w centymetrach
150
Wysokość towaru w centymetrachWięcej
Wysokość towaru w centymetrach
198
Szerokość towaru w centymetrachWięcej
Szerokość towaru w centymetrach
150
Strona www producenta
www.wilo.pl
Zapytaj o produkt
Napisz swoją opinię














