Dodaj produkty podając kody
Dodaj plik CSV
Wpisz kody produktów, które chcesz zbiorczo dodać do koszyka (po przecinku, ze spacją lub od nowej linijki).
Powtórzenie wielokrotnie kodu, doda ten towar tyle razy ile razy występuje.
Przedstawione na niniejszej stronie internetowej informacje nie stanowią oferty handlowej w rozumieniu art.66 par.1 Kodeksu Cywilnego.
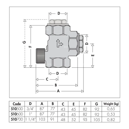
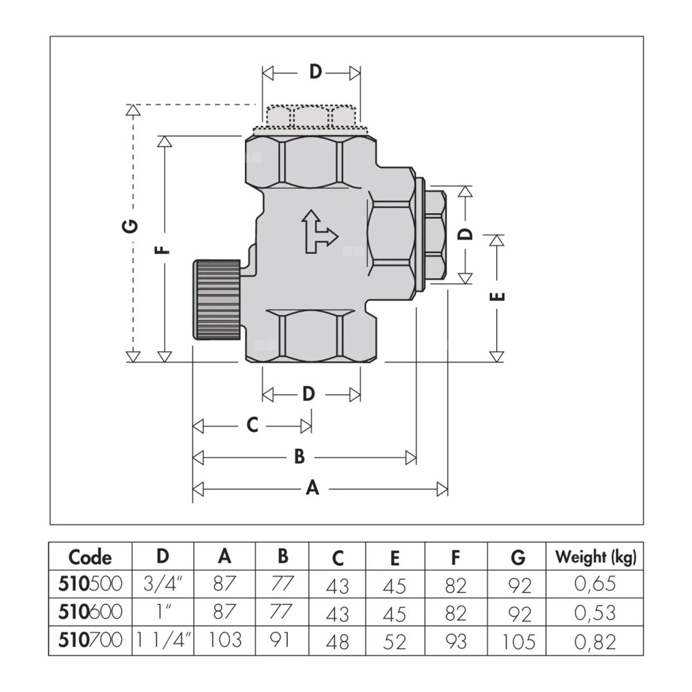
Zawór zwrotny zapobiegający cyrkulacji grawitacyjnej Możliwość instalacji prostej lub kątowej Przyłącze: G 1" (ISO 228-1) GW. Maksymalne ciśnienie pracy: 10 bar. Zakres temperatury medium: 5–110 °C.
Marka
Symbol
ZZ510600
Rodzaj towaru
Armatura regulacyjna
EAN
8016615010497
Kod producenta
510600
Strona www producenta
www.caleffi.com/poland/pl
Zapytaj o produkt
Napisz swoją opinię
















