Dodaj produkty podając kody
Dodaj plik CSV
Wpisz kody produktów, które chcesz zbiorczo dodać do koszyka (po przecinku, ze spacją lub od nowej linijki).
Powtórzenie wielokrotnie kodu, doda ten towar tyle razy ile razy występuje.
Przedstawione na niniejszej stronie internetowej informacje nie stanowią oferty handlowej w rozumieniu art.66 par.1 Kodeksu Cywilnego.
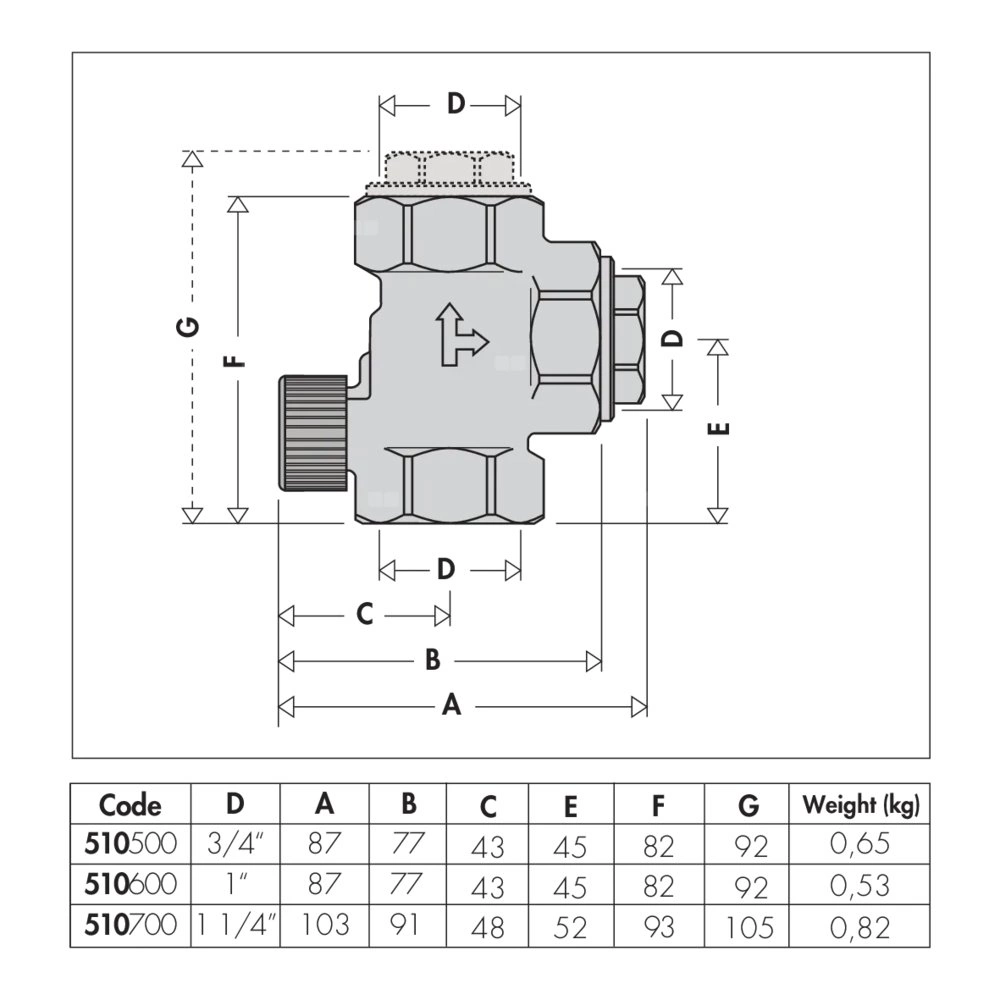
Możliwość instalacji prostej lub kątowej.
Maks. ciśnienie pracy: 10 bar.
Zakres temperatury pracy: 5÷110 °C.
Marka
Symbol
ZZ510500
Rodzaj towaru
Armatura regulacyjna
EAN
8016615010473
Kod producenta
510500
Strona www producenta
www.caleffi.com/poland/pl
Zapytaj o produkt
Napisz swoją opinię














