Dodaj produkty podając kody
Dodaj plik CSV
Wpisz kody produktów, które chcesz zbiorczo dodać do koszyka (po przecinku, ze spacją lub od nowej linijki).
Powtórzenie wielokrotnie kodu, doda ten towar tyle razy ile razy występuje.
Przedstawione na niniejszej stronie internetowej informacje nie stanowią oferty handlowej w rozumieniu art.66 par.1 Kodeksu Cywilnego.
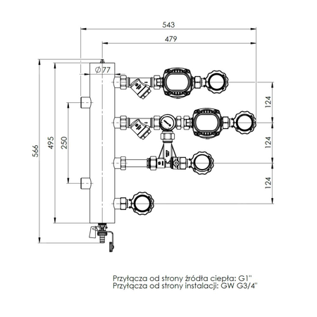
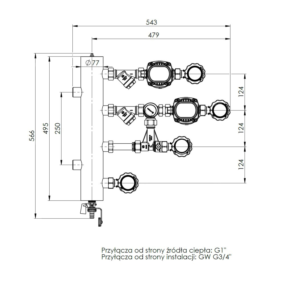
Obrotowy zawór mieszający ARV 362 Vario ProClick z możliwością ustawienia współczynnika Kvs w zakresie 3,5 ÷ 9 m³/h.
Zawory odcinające ze zintegrowanymi termometrami do kontroli temperatury medium na każdym przyłączu.
Zawór zwrotny wbudowany w zawór odcinający na powrocie z członu bez mieszania.
Zawór zwrotny wbudowany w trójnik na przyłączu powrotnym członu z mieszaniem
Tuleje do montażu czujników temperatury na każdym przyłączu.
Filtry siatkowe do ochrony pomp i zaworów mieszających przed zanieczyszczeniami.
Możliwość montażu ze źródłem ciepła po prawej i lewej stronie.
Sprzęgło hydrauliczne z odpowietrznikiem ręcznym i zaworem spustowym do usunięcia zanieczyszczeń wytrąconych z medium.
Montaż regulatora ACT 443 ProClick lub ARC 345 ProClick na zaworze mieszającym ARV ProClick pozwala automatycznie nastawić temperaturę zasilania instalacji stałotemperaturowo lub pogodowo i sterować pompą obiegową.
Możliwe doposażenie sprzęgła w izolację (Art.-Nr 90 800 02) by zmniejszyć straty ciepła.
Zastosowanie
Stosowany w instalacjach grzewczych i chłodzących.Montowany na ścianie między źródłem a instalacją.
Pozwala na przyłączenie dwóch obiegów grzewczych/chłodzących.
Rozdziela hydraulicznie obieg źródła od obiegów po stronie instalacji.
Zapewnia prawidłowe natężenie przepływu medium i niezależną od siebie pracę poszczególnych obiegów.
Marka
Symbol
809090620
Seria
Rodzaj towaru
Pompy i grupy pompowe do c.o. i c.w.u.
EAN
5902510010218
Kod producenta
9090620
Wbudowana pompa obiegowa
1
Rodzaj przyłącza głównego
Gwint zewnętrzny
Średnica nominalna po stronie pierwotnej
1''
Przyłącze obwodu wtórnego
Gwint wewnętrzny
Średnica nominalna po stronie wtórnej
3/4''
Nazwa/Model pompy
AFRISO APH 160 15-7/130 mm
Długość towaru w centymetrachWięcej
Długość towaru w centymetrach
62
Wysokość towaru w centymetrachWięcej
Wysokość towaru w centymetrach
15
Szerokość towaru w centymetrachWięcej
Szerokość towaru w centymetrach
74
Strona www producenta
www.afriso.pl
Zapytaj o produkt
Napisz swoją opinię

































