Dodaj produkty podając kody
Dodaj plik CSV
Wpisz kody produktów, które chcesz zbiorczo dodać do koszyka (po przecinku, ze spacją lub od nowej linijki).
Powtórzenie wielokrotnie kodu, doda ten towar tyle razy ile razy występuje.
Przedstawione na niniejszej stronie internetowej informacje nie stanowią oferty handlowej w rozumieniu art.66 par.1 Kodeksu Cywilnego.
Unikalne cechy produktu:
Charakterystyka:
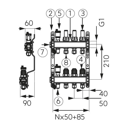
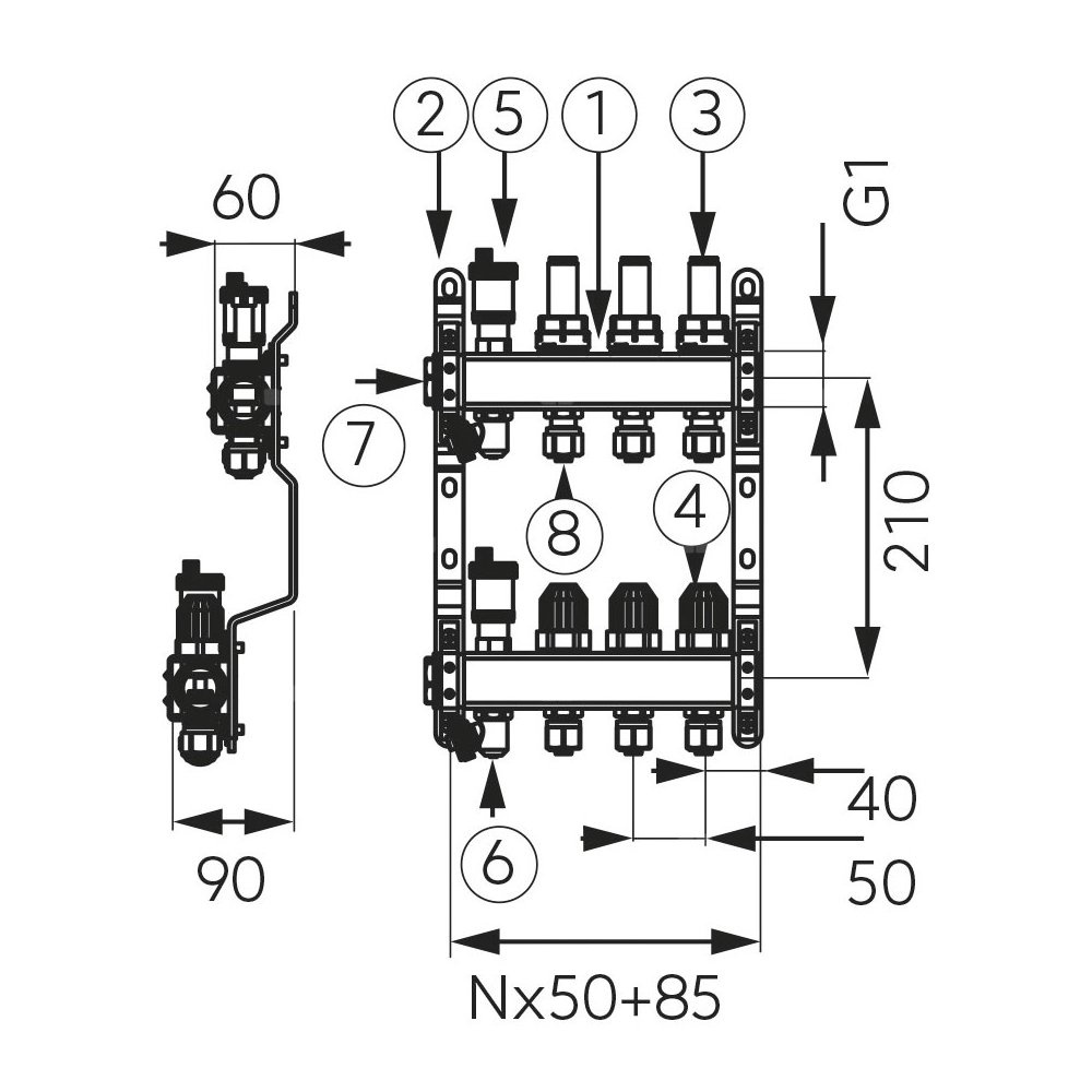
Rozdzielacze są elementem systemu centralnego ogrzewania, który rozprowadza (rozdziela) czynnik grzewczy na poszczególne odcinki instalacji grzewczej.
Znajdują zastosowanie w instalacjach grzejnikowych ogrzewania i chłodzenia płaszczyznowego oraz układach mieszanych.
Umożliwiają precyzyjną regulację instalacji i niezawodną pracę całego systemu ogrzewania.
Zalety rozdzielaczy:
- WysoMarkaSymbolK5SN-RZP07SSeriaRodzaj towaruRozdzielaczeEAN5902194959995Kod producentaSN-RZP07SDługość towaru w centymetrachWięcejDługość towaru w centymetrach60Wysokość towaru w centymetrachWięcejWysokość towaru w centymetrach11Szerokość towaru w centymetrachWięcejSzerokość towaru w centymetrach39Strona www producentawww.ferro.plZapytaj o produktNapisz swoją opinię
















