Dodaj produkty podając kody
Dodaj plik CSV
Wpisz kody produktów, które chcesz zbiorczo dodać do koszyka (po przecinku, ze spacją lub od nowej linijki).
Powtórzenie wielokrotnie kodu, doda ten towar tyle razy ile razy występuje.
Przedstawione na niniejszej stronie internetowej informacje nie stanowią oferty handlowej w rozumieniu art.66 par.1 Kodeksu Cywilnego.
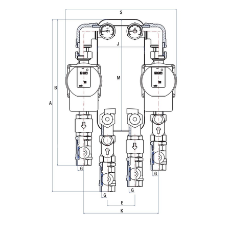
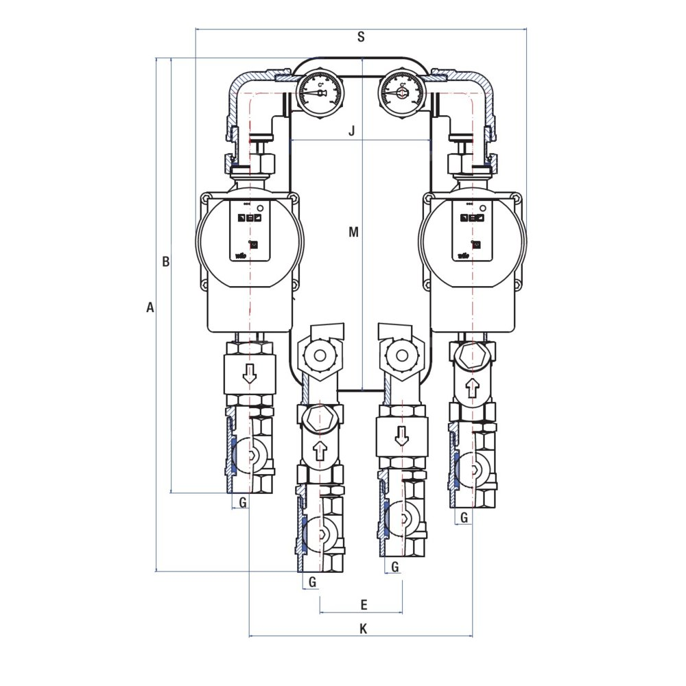
Marka
Symbol
C2WA3515
Rodzaj towaru
Wymienniki
EAN
2081408607457
Kod producenta
WA3515
Strona www producenta
www.rumet.pl
Zapytaj o produkt
Napisz swoją opinię







![Otulina K-FLEX K-ROCK ALU - 70 × 102 - [1]](hpeciai/14dd2d542b3635420bfd8265e42454a7/pol_is_Otulina-K-FLEX-K-ROCK-ALU-70-x-102-1-132501.jpg)




