Dodaj produkty podając kody
Dodaj plik CSV
Wpisz kody produktów, które chcesz zbiorczo dodać do koszyka (po przecinku, ze spacją lub od nowej linijki).
Powtórzenie wielokrotnie kodu, doda ten towar tyle razy ile razy występuje.
Przedstawione na niniejszej stronie internetowej informacje nie stanowią oferty handlowej w rozumieniu art.66 par.1 Kodeksu Cywilnego.
KG 2000 SN10 i SN16 jest nowoczesnym, wysokowydajnym systemem rur litych przeznaczonym do budowy kanalizacji sanitarnej i deszczowej. Nawet podczas ekstremalnych obciążeń pozostaje szczelny, bezpieczny i ekonomiczny przez co najmniej 100 lat. Może być dostarczany we wszystkich typowych wymiarach od DN 110 do DN 500.
Marka
Symbol
6277500
Rodzaj towaru
Kształtki do kanalizacji zewnętrznej z PVC-U
EAN
4052836775009
Kod producenta
77500
Materiał połączenia 1
PP-MD
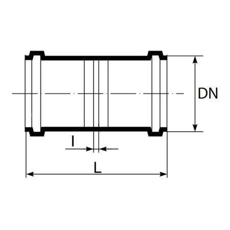
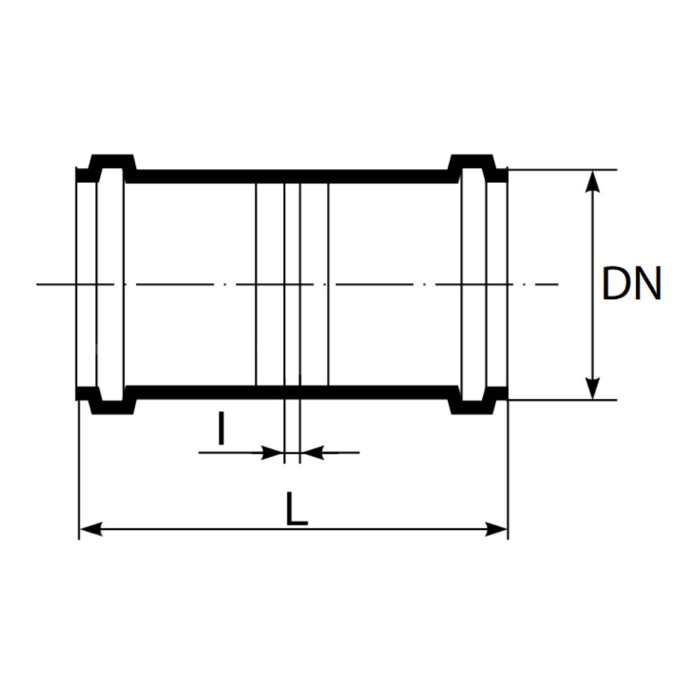
Znamionowa średnica wewnętrzna połączenia 1
DN 160
Połączenie 1
WW
Znamionowa średnica wewnętrzna połączenia 2
DN 160
Połączenie 2
WW
Główny kolor złącza
zielony
Rodzaj złącza
Złączka dwukielichowa
Do kanalizacji
1
Strona www producenta
www.magnaplast.pl
Zapytaj o produkt
Napisz swoją opinię













